搜 索

IRV08-20直动式溢流阀

服务热线:0553-8812 880
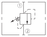
当油口 ① 处的压力达到阀的设定值时,开始向 ② 处溢流,以减少压力上升。
产品概述

IRV08-20直动式溢流阀

符号

性能(仅指插件)

描述

螺纹插装、直动型、座阀式溢流阀,适用于要求极小内泄漏的低流量液压回路。

工作原理

当油口 ① 处的压力达到阀的设定值时,开始向 ② 处溢流,以减少压力上升。

特点

特性

螺纹插装、直动型、座阀式溢流阀,适用于要求极小内泄漏的低流量液压回路。

符号

材料