









IPD10-40液控换向阀

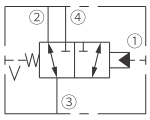
符号

性能(仅指插件)

描述
螺纹插装式液控方向阀,滑阀式。用于远控三通油路。
工作原理
在初始位置 ( 无液控 ) 时,允许油液从 ③ 向 ② 双向流动,而在 ④ 处截止。V 是可通大气的弹簧腔,该腔采用 〇 型圈密封内部油道,防止油液流入该腔。当远端信号到达 ①时,阀芯移动,③ 流向 ④ 接通,而 ② 处闭合。由于采用带泄油孔的弹簧室,因此可以在任何油口对插件完全加压,而不会影响所需的液控压力。
特点
特性
螺纹插装式液控方向阀,滑阀式。用于远控三通油路。
符号

材料

