









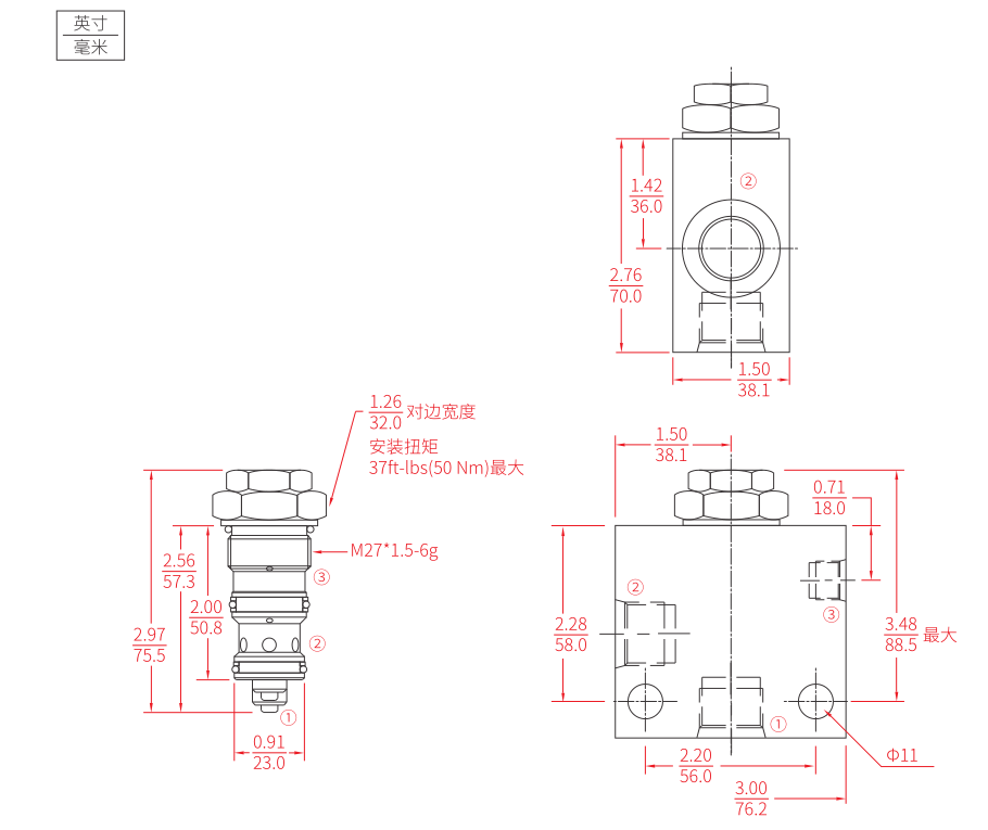
IPC12-30液控单向阀(两级开启型)

符号

性能(仅指插件)

描述
螺纹插装式液控单向阀,用于单向截止或负载保持油路。减压功能锁定在一个可控范围内,减少高压控制油路耗能高和单向阀反向导通时液压冲击大的问题。
工作原理
允许油液从 ② 流向 ① ,同时截止油液反向流动。当 ③ 处压力达到一定值时,有少量油液从将从 ① 流向 ②,从而减轻作用在①口上的负荷压力,随着符合压力的减小,开启主级所需的先导压力也会降低,当达到足够大时,油液将完全从 ① 流向 ②。
该单向阀的减压比为 25:1,液控比为 3:1。在静态或无负载的情况下,弹簧压力确保阀口关闭。
注:在计算先导压力时,端口②上的任何背压都将导致该压力 1:1 增加。
特点
特性
螺纹插装式液控单向阀,用于单向截止或负载保持油路。减压功能锁定在一个可控范围内,减少高压控制油路耗能高和单向阀反向导通时液压冲击大的问题。
符号

材料

