搜 索

IRV10-26先导式溢流阀

服务热线:0553-8812 880
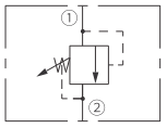
常态下从 ① 流向 ② 封闭,直到 ① 处受到足够的液压力使先导阀开启,再推动主阀芯( 第二级 ) 移动,使油液从 ① 流向 ② 。该阀快速响应液压回路的负载变化。
注:IRV10-26 型不能用作交叉溢流阀。
产品概述

IRV10-26先导式溢流阀

符号

性能(仅指插件)

描述

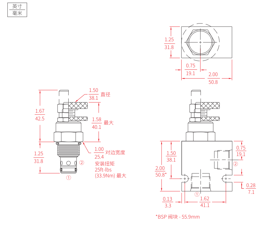
螺纹插装式,二级先导型,滑阀式溢流阀,作为压力限制装置用于要求快速响应、低滞后的液压回路。

工作原理

常态下从 ① 流向 ② 封闭,直到 ① 处受到足够的液压力使先导阀开启,再推动主阀芯( 第二级 ) 移动,使油液从 ① 流向 ② 。该阀快速响应液压回路的负载变化。
注:IRV10-26 型不能用作交叉溢流阀。

特点

特性

螺纹插装式,二级先导型,滑阀式溢流阀,作为压力限制装置用于要求快速响应、低滞后的液压回路。

符号

材料