搜 索

ISV08-B35换向阀,二位三通(高压型)

服务热线:0553-8812 880
单向功能:允许油液由②流向①,当①的压力小于弹簧设定值时,截止①流向②。
溢流功能:当①的压力大于弹簧设定值时,①到②为溢流功能。
液控节流功能:在端口③有控制压力时,控制③的压力可以改变①到②的开口大小,从而达到节流功能。
产品概述

ISV08-B35换向阀,二位三通(高压型)

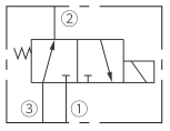
符号

性能(仅指插件)

描述

电磁驱动,二位三通,高压滑阀式,液压螺纹插装阀。主要用于执行器的流向控制。

工作原理

断电时,允许油液从 ③ 流向 ② ,通电后,阀芯移动,允许油液从 ② 流向 ① 。

特点

特性

电磁驱动,二位三通,高压滑阀式,液压螺纹插装阀。主要用于执行器的流向控制。

符号

材料