搜 索

ISV08-30换向阀,二位三通

服务热线:0553-8812 880
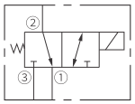
断电时,允许油液从 ② 流向 ① ,通电后,阀芯移动,允许油液从 ③ 流向 ② 。
产品概述

ISV08-30换向阀,二位三通

符号

性能(仅指插件)

描述

电磁驱动,二位三通,滑阀式,液压螺纹插装阀。主要用于执行器的流向控制。

工作原理

断电时,允许油液从 ② 流向 ① ,通电后,阀芯移动,允许油液从 ③ 流向 ② 。

特点

特性

电磁驱动,二位三通,滑阀式,液压螺纹插装阀。主要用于执行器的流向控制。

符号

材料