搜 索

ICV10-20球阀,单向阀

服务热线:0553-8812 880
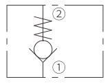
允许油液从 ① 流向 ②,同时截止油液反向流动。全导向阀芯在复位弹簧压力的作用下关闭阀口直到 ① 处压力足够大时打开 ② 。
产品概述

ICV10-20球阀,单向阀

符号

性能(仅指插件)

描述

螺纹插装式液压单向阀,用作单向截止或负载保持设备。

工作原理

允许油液从 ① 流向 ②,同时截止油液反向流动。全导向阀芯在复位弹簧压力的作用下关闭阀口直到 ① 处压力足够大时打开 ② 。

特点

特性

螺纹插装式液压单向阀,用作单向截止或负载保持设备。

符号

材料